网站首页
关于我们
公司简介
企业文化
厂容厂貌
资质荣誉
产品中心
行业应用
新闻资讯
公司新闻
行业新闻
联系我们
官方免费咨询热线
0373-3026255
网站首页
关于我们
公司简介
资质荣誉
厂容厂貌
产品中心
温度传感器
压力传感器
液位物位计
流量传感器
过程显示控制
分析仪系列
密度计
无线远传系列
控制阀门
控制系统
进口罗斯蒙特产品
横河川仪EJA系列产品
进口德国E+H系列
行业应用
新闻资讯
公司新闻
行业新闻
联系我们
首页
>
产品中心
>
温度传感器
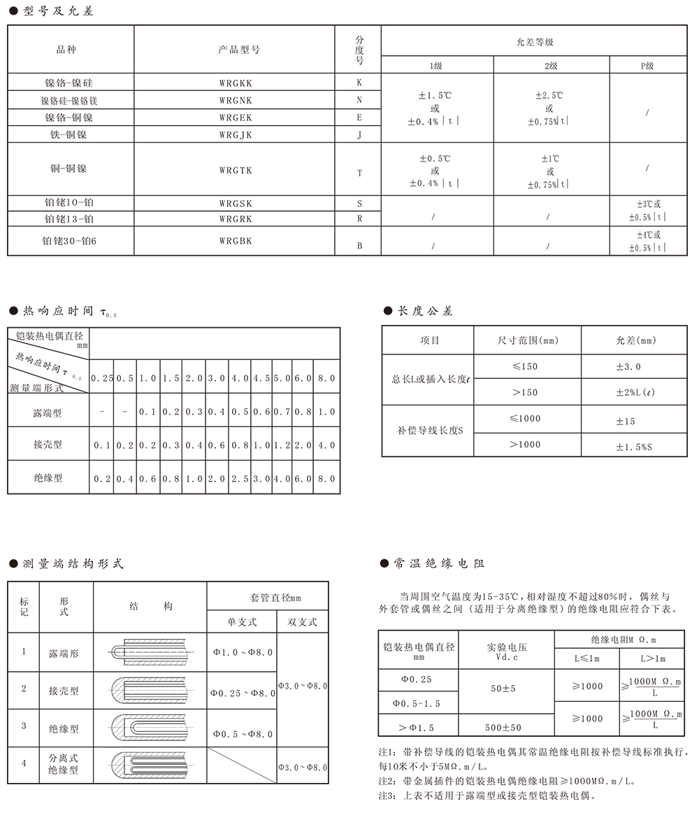
WRG K铠装热电偶
产品介绍
核心实力
01
实力厂家 现货直销
河南省华控自动化科技有限公司主要从事开发、制造、销售:压力传感器,温度传感器,流量传感器,液位物位计等产品。厂家直销、品质有保障,产品畅销全国各地,多次获得客户良好反馈。
02
经验丰富 高度认可
公司立足于业内多年,拥有丰富的行业经验,企业产品已覆盖全国各个省市的化工、医药、电力石油、机械、冶金等行业。
03
技术人才 实力团队
满足客户生产的关键需求,提供值得信赖的自动化过程仪表解决方案以及完整的服务体系。
04
服务团队 完善售后
针对性的满足客户的需求,为客户提供量身定制的解决方案。
相关产品
源头工厂
管道温湿度变送器
产品详情
→
源头工厂
数显温度控制器
产品详情
→
源头工厂
WRGK铠装热电偶
产品详情
→
源头工厂
WRG K铠装热电偶
产品详情
→
源头工厂
K铠装热电偶电缆
产品详情
→
产品中心
product center
温度传感器
压力传感器
液位物位计
流量传感器
过程显示控制
分析仪系列
密度计
无线远传系列
控制阀门
控制系统
进口罗斯蒙特产品
横河川仪EJA系列产品
进口德国E+H系列
全国免费咨询热线:
135-2386-0875
首页
产品中心
客服电话
返回顶部